怎么分析并聯晶體振蕩器?
1.并聯
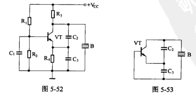
晶體振蕩器電路如圖5-52所示,晶體B作為反饋元件,并聯于晶體管VT的集電極與基極之間。R1、R2為晶體管VT的基極偏置電阻,R3為集電極電阻,R4為發射極電阻。C1為基極旁路電容。
2.從圖5-53所示交流等效電路可見,這是一個電容三點式振蕩器,晶體B在這里等效為一個電感元件使用,與震蕩回路電容C2、C3一起組成并聯諧振回路,共同決定電路的振蕩頻率。

3.并聯晶體振蕩器穩頻原理如下:因為晶體的電抗曲線非常陡峭,可等效為一個隨頻率有很大變化的電感。當由于溫度、分布電容因素使振蕩頻率降低時,晶體的效應電感量就會迅速減小,迫使振蕩頻率回升;反之則作反向調整,最終使得振蕩器具有很高的頻率穩定度。
信息來自:
泰藝晶振 鉭電容